CASE
CONTACT US
北京利達華信電子股份有限公司
聯系人:何經理
服務熱線:4006-598-119
郵箱:1334605518@qq.com
電話:15262554119
地址:蘇州常熟市黃河路275號
利達LD6806ET 中繼模塊接線安裝技術
發布時間:2025年09月10日 人氣:400 來源:本站
利達LD6806ET中繼模塊采用特殊防潮技術和插拔式結構設計。主要作用是擴增二總線負載能力,提高消防報警系統的可靠性。 當信號線過長(線路總電阻大于 50Ω)或線路電壓過低時(探測線路電壓低于 14V 或啟動后電壓低于 14V)建議在信號總線 上加裝 LD6806ET 中繼模塊,然后在 LD6806ET 的輸出端可再加負載,此外 LD6806ET 中繼模塊也具備短路保護隔離器的作用。 滿足 GB 16806-2006《消防聯動控制系統》、CNCA-C18-01:2014《強制性產品認證實施規則》、CCCF-HZBJ-01《強制性產品認 證實施細則》,符合認證要求。
功能:
★ 二總線,無極性。
★ DC 24V 供電,有極性。
★ 不占地址點。
★ 實現隔離的信號中繼功能,輸出能力達 1A。
★ 輸出帶短路和過載保護,可自動恢復。
★ 可配接我公司在售的全系列火災報警控制器。
主要技術指標:

外形結構示意圖:

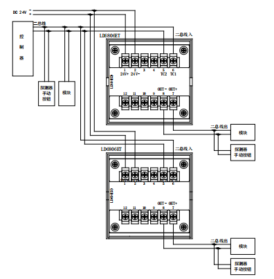
接線示意圖:

安裝步驟:與 LD6801ED-1 相同。
布線要求:
★ 二總線:宜選用截面積≥1.5mm2 的耐火雙色雙絞銅芯線或選用截面積≥1.5mm2 的耐火銅芯電纜,耐壓≥250V,線路 末端總線電壓低于 14V 時需增大導線截面積,或加裝總線中繼器(不宜采用平行線)。
★ DC24V 電源總線:宜選用截面積≥1.5mm2 的耐火 BV 銅芯電線線纜,電源線總壓降≤3V,否則應考慮增大導線截面積。
★ 穿管要求:應單獨穿入金屬管、經阻燃處理的硬質塑料管或封閉式線槽中,金屬管和金屬線槽應可靠接地,并應在 金屬管或金屬線槽上采取防火保護措施。嚴禁與其他系統傳輸線路穿入同一管中。在雷擊危險性比較大的場合應采 用穿金屬管或密閉的金屬線槽。
下一篇:我是有底線的
最新產品
相關新聞
- 火災報警系統避難層區域機的問題2025-09-18
 - 消防泵房與消控室共用雙電源轉換裝置的可行性分析2025-09-18
 - 寫字樓高樓層環形公共走道占用裝修成辦公室區域2025-09-13
 - 利達消防氣體滅火需要有的四種控制方式2025-09-10
 - 化工裝置GDS系統設置方式2025-09-10
 - 利達全氟己酮、七氟丙烷兩類滅火介質滅火產品主要技術與滅火性能特點、區別、場所大小應用要點探討2025-09-06
 - 烏蘭浩特卷煙廠與包頭恒大華府地處項目采用利達消防報警系統2025-09-06
 - 利達華信消防報警系統新業績-內蒙古革命歷史博物館和元上都遺址游客中心項目2025-09-06
 - 消防泵啟動報故障跳停——原因、影響與對策2025-08-25
 - 消防工程設計以便捷的路線找到出口2025-08-25
 



 
 
 
 
 
 服務熱線:4006-598-119 18751140119 
 地址:蘇州常熟市黃河路275號 
 
 
 
 
 
 客服 