CONTACT US
北京利達華信電子股份有限公司
聯系人:何經理
服務熱線:4006-598-119
郵箱:1334605518@qq.com
傳真:15262554119
地址:蘇州常熟市黃河路275號
商品類別:防爆消防設備系列
點擊次數:2111
上架時間:2025年07月15日
全國服務熱線: 4006-598-119
產品描述
利達J-SA B-M-LD2000ED手動火災報警按鈕 防爆型

一、利達J-SA B-M-LD2000ED手動火災報警按鈕概述
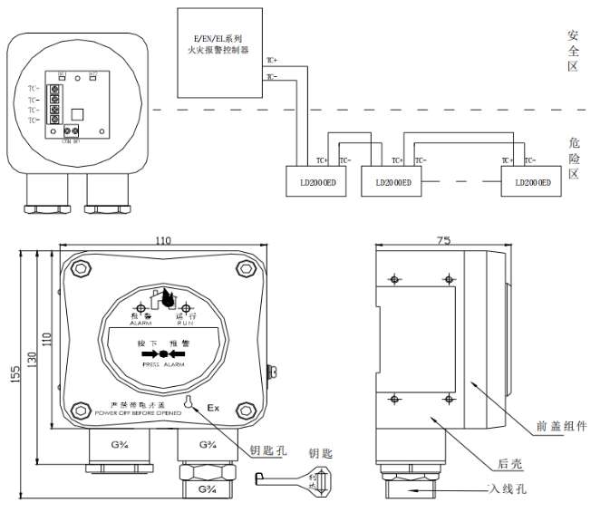
利達J-SA B-M-LD2000ED手動火災報警按鈕采用特殊防潮技術,抗潮濕、抗干擾能力強,該手動報警按鈕占一個節點地址,采用電子編碼方式編址,操作方便。LD2000ED手動報警按鈕與利達公司生產的E/EN/EL系列控制器配合使用。當有火情時,人工確認火警后,手動操作報警按鈕,向控制器發出火災報警信號。
利達J-SA B-M-LD2000ED防爆型手動火災報警按鈕主要適用于石油、化工等行業具有防爆要求的場所。滿足GB 19880-2005《手動火災報警按鈕》和《消防產品3C認證實施規則》。產品環保、無污染,功耗低,安全可靠。
二、利達J-SA B-M-LD2000ED手動火災報警按鈕工作原理
本產品由嵌入式MCU單片機,金屬外殼和技術底殼組成。手動報警按鈕上蓋與手動報警按鈕底殼本身成套。產品采用電子編碼的方式編碼,可通過編址器讀/寫地址。與火災報警控制器連接使用,人工按下手動報警按鈕后,向控制器發出報警信號,實現火災報警
三、利達J-SA B-M-LD2000ED手動火災報警按鈕功能介紹
二總線,無極性,采用專用嵌入式MCU;
采用電子編碼方式,通過編址器讀/寫地址;
占用一個地址,編址范圍(0~255);
室外型,具有防爆功能;
備有一組無源常開輸出接點。
四、利達J-SA B-M-LD2000ED手動火災報警按鈕技術參數
型號J-SA B-M-LD2000ED
名稱手動火災報警按鈕
品牌利達
工作電壓DC 18V
靜態電流<0.5mA
無源接點容量DC 30V/0.1A
報警電流<2.0mA
類型隔爆型
防爆標志Ex dⅡC T6 Gb;ExtDA21 IP66 T80℃
防護等級IP66
溫度-40℃~+70℃
相對濕度≤95%(40±2)℃,無凝露
海拔3000米以下(含3000米)
重量1.2Kg±0.01Kg
更大 外形尺寸(長×寬×高)155 mm×110 mm×75mm
五、利達J-SA B-M-LD2000ED手動火災報警按鈕接線圖與結構圖

本文標簽: 利達J-SA B-M-LD2000ED手動火災報警按鈕 防爆型
最新產品
相關新聞
- 火災報警系統避難層區域機的問題2025-09-18
 - 消防泵房與消控室共用雙電源轉換裝置的可行性分析2025-09-18
 - 寫字樓高樓層環形公共走道占用裝修成辦公室區域2025-09-13
 - 利達消防氣體滅火需要有的四種控制方式2025-09-10
 - 化工裝置GDS系統設置方式2025-09-10
 - 利達全氟己酮、七氟丙烷兩類滅火介質滅火產品主要技術與滅火性能特點、區別、場所大小應用要點探討2025-09-06
 - 烏蘭浩特卷煙廠與包頭恒大華府地處項目采用利達消防報警系統2025-09-06
 - 利達華信消防報警系統新業績-內蒙古革命歷史博物館和元上都遺址游客中心項目2025-09-06
 - 消防泵啟動報故障跳停——原因、影響與對策2025-08-25
 - 消防工程設計以便捷的路線找到出口2025-08-25
 



 
 
 
 
 
 服務熱線:4006-598-119 18751140119 
 地址:蘇州常熟市黃河路275號 
 
 
 
 
 
 客服 