CONTACT US
北京利達華信電子股份有限公司
聯系人:何經理
服務熱線:4006-598-119
郵箱:1334605518@qq.com
傳真:15262554119
地址:蘇州常熟市黃河路275號
商品類別:防爆消防設備系列
點擊次數:2157
上架時間:2025年07月15日
全國服務熱線: 4006-598-119
產品描述
利達LD1000ED火災聲光警報器 隔爆型

一、利達LD1000ED隔爆型火災聲光警報器概述
利達LD1000ED火災聲光警報器采用特殊防潮技術,抗潮濕、抗干擾能力強,該火災聲光警報器占一個節點地址,采用電子編碼方式編址,操作方便。可通過設置作為無編碼火災聲光警報器使用。LD1000ED火災聲光警報器與利達公司生產的全系列控制器配合使用。當現場發生火災并確認后,安裝在現場的火災聲光警報器可由消防控制中心的火災報警控制器啟動,發出強烈的聲光報警信號,以達到提醒現場人員注意的目的。
二、利達LD1000ED隔爆型火災聲光警報器性能特點
◎二總線,無極性,采用專用嵌入式MCU。
◎DC 24V二總線無極性。
◎采用電子編碼,占一個地址點(0~255)。
◎室外型,具有防爆功能。
◎可通過設置作為無編碼火災聲光警報器使用。
三、利達LD1000ED隔爆型火災聲光警報器技術參數
型號LD1000ED
名稱火災聲光警報器
品牌利達
二總線工作電壓DC 14V~24V
二總線靜態電流<1.0mA
二總線報警電流<1.5mA
電源總線DC 24V(DC 18V~28V)
電源總線靜態電流<1.0mA
電源總線報警電流<25mA
電源總線峰值電流<60mA
閃光頻率1.0Hz~1.5Hz
聲響強度75dB~90dB
閃光頻率1.0Hz~1.5Hz
變調周期3.0s~5.0s
格蘭頭規格NPT3/4-G3/4,外螺紋
防爆標識Ex d II C T6 Gb/Ex tD A21 IP66 T80℃
工作環境溫度-20℃~+50℃
工作環境相對濕度≤95%(40±2)℃(無凝露)
安裝方式壁掛或立柱安裝,立柱安裝時需配LD2100A
重量1.22Kg±0.01Kg
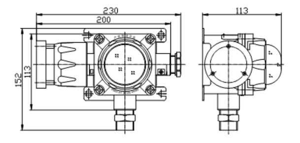
更大 外形尺寸長230mm×寬113mm×高152mm
四、利達LD1000ED隔爆型火災聲光警報器外觀尺寸

本文標簽: 利達LD1000ED火災聲光警報器 隔爆型
最新產品
相關新聞
- 火災報警系統避難層區域機的問題2025-09-18
 - 消防泵房與消控室共用雙電源轉換裝置的可行性分析2025-09-18
 - 寫字樓高樓層環形公共走道占用裝修成辦公室區域2025-09-13
 - 利達消防氣體滅火需要有的四種控制方式2025-09-10
 - 化工裝置GDS系統設置方式2025-09-10
 - 利達全氟己酮、七氟丙烷兩類滅火介質滅火產品主要技術與滅火性能特點、區別、場所大小應用要點探討2025-09-06
 - 烏蘭浩特卷煙廠與包頭恒大華府地處項目采用利達消防報警系統2025-09-06
 - 利達華信消防報警系統新業績-內蒙古革命歷史博物館和元上都遺址游客中心項目2025-09-06
 - 消防泵啟動報故障跳停——原因、影響與對策2025-08-25
 - 消防工程設計以便捷的路線找到出口2025-08-25
 



 
 
 
 
 
 服務熱線:4006-598-119 18751140119 
 地址:蘇州常熟市黃河路275號 
 
 
 
 
 
 客服 